同城附近喝茶网,杭州大圈品茶工作室,成都喝茶海选工作室

中文版  |  English
首页  >  产品中心  >  矿井应急产品矿井应急产品
矿井安全防护监控应急通信系统
1 概述
  煤矿井下瓦斯爆炸、顶板冒落、透水等事故时有发生。如何在事前做好防护、事后将损失降到最低,如何实现更好地抢救工作,使地面及时了解井下事故现场,实施对井下抢险工作的指挥,矿井安全防护监控应急通信系统可以起着至关重要的作用。传统煤矿井下通信系统装备一直采用固定防爆电话方式,它覆盖面小,只能在定点之间通话,且不具备移动性,这使得紧急情况下调度指挥无法在第一时间完成,主要负责人不能在第一时间赶到现场了解和处理紧急事务。然而,矿井巷道为非自由空间,无线电波在井下巷道的传输受到根本性制约,多年来国内外诸多专家学者在这一领域进行了积极的探索和研究。本文采用长波通信原理在井下移动通信系统正得到推广应用。
2 系统总体方案
  根据煤矿安全生产管理中的通信要求,系统要实现生产调度通信、计算机安全监测、现场图像抓拍、井下有线/无线通信四大功能。生产调度通信功能在煤矿安全生产管理中起着重要的作用,井下各生产环节的信息主要通过调度中心来传递,同时保证井下的信息及时反馈给地面调度中心,对调度中心的统一指挥提供保障。计算机安全监测主要实现井下环境参数(瓦斯浓度、温度等)的实时监控。现场图像抓拍主要是通过井下作业人员安全帽上配备的摄像头,把现场的图片传给调度指挥中心。井下有线无线通信主要实现井下作业人员之间的通信,以及在发生紧急情况下,与地面调度指挥中心联系。 
  井下工作人员通信采用感应通信方式,在每个支巷道口都设一台400K数字感应电台,井下工作人员携带移动感应便携台,利用400K数字感应电台与巷道中的钢绞线或连接存在的金属导体,实现支巷道(延伸到工作面)与主巷道间的话音数据传输。如果在事故状态下,为了抢险救灾,需要和深入井下的抢险人员及时地通信,抢险人员也需要和被困井下的人员通信,此时有线通信可能是瘫痪的,在这种情况下采用感应式移动通信能建立与抢险人员及被困人员的通信,由于感应线线路易于架设,抢险人员可一边深入井下,一边很容易地敷设带绝缘钢绞线(感应线),由于井下导线电缆很多,可借任何可能存在于矿井中的导体作为感应线向(从)深入井下的方向发送(接收)信号。同样被困人员也可用自己的感应便携台,借助于上述的线路作为感应传输线路发送和接收信号。被困人员在进行感应线布线时可将便携台信号输出(输入)电路端子直接与感应线相联接(也可以不直接联接)以提高通信效果。抢险救灾人员通信设备可采用和井下被困人员相同的方式。这样双方的信号经感应线的传输与辐射,再经地层或巷道空间,耦合到其它的巷道中的钢绞线或某些导线,借助于这些导线作为中间感应传输线路,再耦合到对方感应系统中,完成双向感应通信。
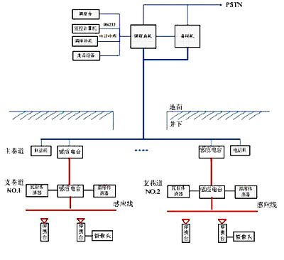
   系统总体方案框图:
 
3 系统组成
  系统主要包括地面调度子系统和井下子系统两大部分。
  地面调度子系统主要有调度台、调度总机、调度分机、电源自动切换装置、录音设备、监控计算机、打印机和电源等。
  井下子系统主要有感应电台、煤矿本质安全型自动电话机(简称电话机)、温度传感器、瓦斯传感器、摄像头、感应便携台和电源等。
4 系统功能和实现方案
  系统能够实现调度功能、井下与地面/井下用户间通话、录音功能、井下环境参数采集记录和打印等。
    4.1  调度功能
  调度功能主要由调度总机、调度台、调度分机等组成。
  调度总机是系统的核心,主要实现调度功能和交换功能。调度总机采用双机备份方式,当主调度总机故障时,备用调度总机自动启用,并报警通知调度台,调度台显示“调度总机故障”,当主调度总机恢复正常后,备用调度总机退出并返回备份工作状态。调度总机采用交直流供电方式,正常工作时,交流220V/50Hz供电,当交流电源出现故障时,备用电源(直流48V)自动投入,调度台有相应显示,交流电源恢复正常时,备用电源自动切断,处于待用状态。
  调度台、调度分机是管理人员进行操作的终端平台,调度员通过调度台、调度分机完成调度相关操作,如:群呼、直呼、监听、插入、显示和录音等。调度台、调度分机通过电缆与调度总机连接,完成生产调度指挥和调度总机工作状态的监控。
  主要功能:
     (1)直呼:调度台可以直接呼叫调度分机或井下电话机。呼叫信令采用双音多频信令,通过电缆线传送给调度总机,由调度总机实现程控交换。
     (2)强插、强拆:调度台可强行插入或拆除本系统内所有用户间的通话。
     (3)调度组呼/群呼:调度预先将常用用户编组,并赋予代码,需要时按组呼键、代码键将所要呼叫的用户一次性呼出,也可以按群呼键呼叫本系统内所有用户。
     (4)监听:对于本系统内任意用户间的通话,调度台摘机按监听键,再按通话用户中任一用户键即可监听通话,调度台挂机退出监听状态。
     (5)转接:调度台可按转接键将井下用户呼入转接到电话用户上。
     (6)通话状态显示:调度台可以显示当前通话的用户和用户状态。
     (7)催挂:用户话柄未挂时,调度可对其发催挂音,提示用户挂机。
     (8)电源自动切换功能:当交流断电时,自动切换到备用电源,同时调度台上显示“电源故障”。交流恢复正常后,备用电源自动切断,调度台液晶屏回到待机状态。
    4.2  调度录音功能
  录音功能由安装在调度总机的录音设备完成。录音设备完成对调度台呼入、呼出话音进行自动录音,可以支持调度员手动录音。
    4.3  井下与地面通话、井下用户间通话
  井下与地面通话主要靠调度总机与井下每个支巷道的400KHz感应电台或主巷道的电话机,它们之间通过电缆或光纤连接,保证系统的用户量和数据流。井下每个支巷道用户间的通话采用感应通信,通过敷设在各分支巷道顶部或墙侧壁边的钢绞线和感应电台,利用波导感应耦合原理,将感应电台与感应便携台的400KHz信号感应到钢绞线导线上,400K信号在钢绞线电缆上有良好的传送特性,约为每公里衰减了3-5dBu,不受随道的地形、环境等因素的影响,这样有利于井下的通信问题。同时感应电台可以实现话音对讲、数据传输和图片传输等功能;
    4.3.1  感应电台
  感应电台主要完成地面人员与支巷道间的通信转接,井下主巷道铺设电缆或光纤,支巷道侧壁挂有(延伸到工作面)铺设钢绞线,钢绞线具有一定的拉伸强度,防止塌方对钢绞线的拉断。井下工作人员的所配带的便携台,能接入传感器和摄像头。可以把话音和环境参数图片传输到地面设备。
 
  在矿井的每个支巷道口都设一台400K数字感应电台,井下工作人员携带移动数字感应便携台,利用感应电台与巷道中的钢绞线,实现支巷道(延伸到工作面)移动话音通信和数据传输。
    4.1.1   电话机
  电话机采用双音多频拨号方式,根据使用地点的不同,井下电话机分为两种。一种用于支巷道内的话音通信的感应电话机,另一种用于主巷道内的话音通信的普通电话机。主支巷道的感应电话机在普通电话机的基础上增加400K感应通信模块。主巷道的电话机则为普通电话机。
  支巷道感应电话机呼叫地面调度时,感应电话机将话音和拨号音变成数字信号调制到400K载波频点上传给支巷道与主巷道口安装的感应电台上,由感应电台将接收到的信号解调通过有线传给调度总机,建立通信。调度呼叫支巷道感应电话时,先通过支巷道与主巷道口安装的感应电台,再传输给感应电话机,电话机接收到话音建立通信。
  支巷道间的感应电话机互呼时,感应电话机将话音和拨号音变成数字信号调制到400K频点   上发给感应电台,先通过调度总机交换呼通另一个支巷道的感应电台,然后通过感应电台呼通感应电话机,建立通信。
  主巷道电话机呼叫调度员时,拨号呼通调度总机,收到回铃,调度员摘机后建立通信。主巷道电话机间互呼,首先拨号呼通调度总机,通过调度总机交换呼通另一电话机,电话机回铃摘机建立通信。   
    4.1  井下参数采集与记录
  井下参数采集与记录功能主要由监控计算机、瓦斯传感器、温度传感器和摄像头等实现。
    4.1.1  瓦斯传感器
  瓦斯传感器采用高低浓度甲烷传感器,采用矿用本安兼隔爆型,可用于连续检测煤矿井下空气中的甲烷含量。具有半自动调零、调精度和高补偿、报警点等功能。
  瓦斯传感器通过RS485接口将采集到的瓦斯浓度数据通过有线传送给前端(工作面)的感应电台,把数字信号调制到400K载波频点上传给支巷道与主巷道口安装的感应电台上,由感应电台将接收到的信号解调通过有线传给调度总机,调度总机通过RS232接口把数据送给监控计算机。同时,瓦斯传感器面板上有瓦斯浓度显示,当浓度达到不同等级报警点时(高、低浓度),有相应不同的声音提示,提示井下现场人员及时采取行动。
    4.1.2  温度传感器
  温度传感器采用本质安全型,主要用于矿井下测量环境温度,用于监视火灾的发生。且传感器采用数字化温度探头,具有性能好、可靠性高。
  温度传感器通过RS485接口将采集到的温度数据通过有线传送给前端(工作面)的感应电台,把数字信号调制到400K载波频点上传给支巷道与主巷道口安装的感应电台上,由感应电台将接收到的信号解调通过有线传给调度总机,调度总机通过RS232接口把数据送给监控计算机。
    4.1.3  摄像头
  摄像头采用本质安全型,主要用于采集矿井下的环境图像,具有红外夜视功能。安装在工人的头盔上,可以抓拍现场的图片通过RS485接口传送给感应便携台,把数字信号调制到400K载波频点上传给支巷道的感应线上,由主巷道口安装的感应电台接收到的信号解调通过有线传给调度总机,调度总机通过RS232接口把数据送给监控计算机。系统拍摄图片分辨率大小为640*480,存储格式为jpg。传输一幅现场图片时间大约在30秒左右。监控计算机接收到图像数据会自动按编号、日期分类存储,并显示当前图片。
  井下摄像机功能,可以使领导可以及时了解事故现场情况,为领导决策提供第一手的资料。
    4.1.4  监控计算机
  监控计算机采目前主流配置的工控机,与调度总机通过RS232连接,可以实时监看井下传输的图像、环境参数(瓦斯浓度、温度等);同时还能将这些信号保存在硬盘上,在需要的时候可以将这些资料回放和打印输出,为今后进行事故原因分析、总结抢险过程的经验和教训提供基础资料。
    5 系统在矿井发挥的作用
  本系统大大提高矿井安全事故应急能力,缩短事故处理时间,保证了工作人员能够与生产调度室及时取得联系;与现在要求的矿井高管人员井下盯岗相配套,确保主要领导在井下也能与地面保持密切联系;特别是如果遇矿井塌方或钢绞线电缆断线,仍然保证通信信号畅通,为救援提供有力的帮助;建立数传平台,实现功能拓展,为井下实现数字化提供了可靠的手段;本系统如能在煤矿生产中大量使用,将极大地改变煤矿井上下通信落后的面貌,对煤炭生产效率的提高,减少人员伤亡和财产损失将具有重要的意义。
主站蜘蛛池模板: 赤城县| 宜章县| 永宁县| 冷水江市| 揭东县| 南雄市| 安多县| 聂荣县| 兴海县| 平谷区| 荔波县| 修水县| 无棣县| 沾化县| 汾阳市| 阿勒泰市| 天水市| 麻栗坡县| 仁怀市| 中阳县| 桑植县| 井冈山市| 都安| 万盛区| 芜湖市| 合川市| 迁安市| 都兰县| 汽车| 凉城县| 泽州县| 鄂伦春自治旗| 泾阳县| 苗栗市| 赤壁市| 苏州市| 定南县| 汤阴县| 新巴尔虎右旗| 思南县| 刚察县|